Product Overview:
The SA1-HK is a square body fuse specifically designed for energy storage systems (ESS). It complies with IEC60269, DIN43653, and GB/T13539.4 standards, featuring a robust ceramic body capable of withstanding high internal pressure and thermal shock. With its high breaking capacity and aR utilization category, it provides reliable overload and short‑circuit protection for power systems, inverters, semiconductor components, and associated equipment.
Applications:
Ideal for energy storage systems (ESS), new energy power stations, battery clusters, PCS (Power Conversion System), DC combiner cabinets, inverters, semiconductor devices, rail transit, electric vehicles, telecommunications, and power industry equipment. Its square tube pin‑type design facilitates easy integration into DC combiner boxes, inverter inputs, and battery pack connections.
Key Features:
-
Square tube design with robust ceramic body – withstands high internal pressure and thermal shock
-
Available ratings: 160A, 200A, 250A, 315A, 350A, 400A, 450A, 500A, 550A, 630A
-
High breaking capacity for demanding DC fault conditions
Quality Assurance:
Manufactured to rigorous specifications and fully certified, ensuring fast and reliable interruption of fault currents under harsh DC conditions, protecting your energy storage system investment.
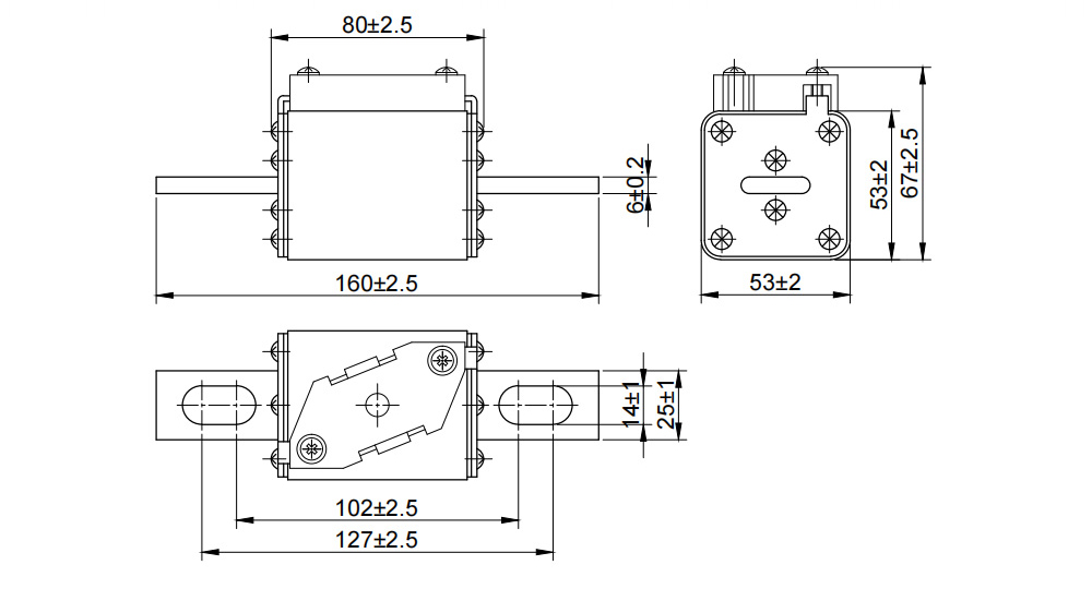
Dimensions:
Refer to technical datasheet for detailed dimensions.




























